simplex koonilise lukustusega hammasratas tüüp B ISO standardketi

Selles konstruktsioonis kasutatakse koonilist rummu ja vastavat koonilist ava, mis võimaldab hammasratast kinnitada teljele kooniliste lukustuspuksidega, ilma et tekiks vahe.
Mudel: tüüp B 20B-1 koonilise lukustusega hammasratas
Materjal: C45, roostevaba teras, karastatud teras jne.
Pinnatöötlus: karastatud hambad, must oksüüd, tsingitud, elektroforees jne.

Kirjeldus

20B-1 kooniline lukustuspuks hammasratason konstrueeritud tagama kõrge jõudluse ja vastupidavuse jõuülekandesüsteemides. Kooniline lukustuspuks tagab hammasratta rummu ja võlli vahel mehaanilise survetihendi, mis tagab tugeva ja usaldusväärse ühenduse.

Peamised omadused

  • Mehaaniline survetihendus:Tagab kindla ühenduse sujuva ja tõhusa jõuülekande jaoks.
  • Tõhus töö:Vähendab energiakadu ja parandab süsteemi üldist efektiivsust.
  • Pikem kasutusiga:Vastupidav konstruktsioon vähendab hooldus- ja asendamisvajadust, vähendades seiskusaega ja kulusid.
  • Täpne hammaste kuju:Tagab optimaalse ketikontakti, vähendades hõõrdumist ja müra ning tagades sujuvama töö.
  • Kvaliteetsed materjalid:
    • C45 teras:Tasakaalustab tugevuse ja ökonoomsuse.
    • Roostevaba teras:Tagab suurepärase korrosioonikindluse rasketes tingimustes.
    • Karastatud teras:Kuumtöödeldud, et suurendada kulumiskindlust ja pikendada kasutusiga.

Tehnilised andmed

  • ISO-nr:20B-1 (1 1/4“ x 3/4“)
  • Sammu pikkus:31,75 mm
  • Sisemine laius:19,56 mm
  • Rullide läbimõõt:19,05 mm
  • Hamba laius:18,5 mm
  • Ba:3,5 mm (raadiuse laius)
  • Rx:32 mm (minimaalne hammasraadius)

Eelised

  • Tugev ja usaldusväärne ühendus kõrge jõudlusega süsteemidele
  • Vähendatud hõõrdumine, müra ja hoolduskulud
  • Mitmekülgsed materjalivalikud erinevatele keskkondadele
  • Pikendab hammasrataste ja kettide eluiga

Valige 20B-1 kooniline lukustuv pukshammasratas, et tagada oma jõuülekandesüsteemide parim vastupidavus, tõhusus ja usaldusväärsus.

Tehnilised parameetrid

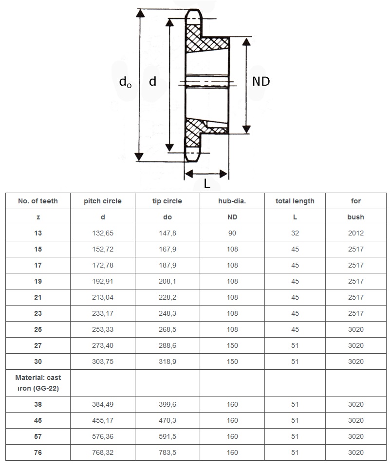
simplex koonilise lukuga hammasratas 20B-1 tehniline tabel

simplex koonilise lukustusega hammasratas 20B-1 tehniline tabel