- tööstuslik õhukompressor
- kuivainega töötav suruõhu kuivati
- diiselõhukompressor
- suur vaakumpump
- õlivaba kolbkompressor
- õlivaba kruviga õhukompressor
- õlivaba scroll-õhukompressor
- pm vsd kaheastmeline kruvõhukompressor
- pm vsd üheastmeline kruvkompressor
- jahutatud õhukuivati
- kruviblaaser
- üheastmeline kahepoolne kruvkompressor
- kaheastmeline kahe kruviga õhukompressor
- ülisuure rõhuga õhukompressor
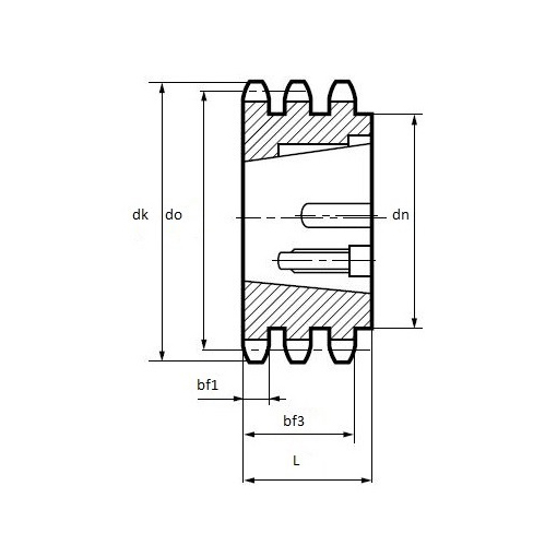
kolmekordne kooniline lukustusketas 16B-3 ISO rullketi standard
Selles konstruktsioonis kasutatakse koonilist rummu ja vastavat koonilist ava, mis võimaldab hammasratast kinnitada kindlalt võllile kooniliste lukustuspukside abil, ilma et tekiks vahe.
Mudel: tüüp B 16B-3 koonilise lukustusega hammasratas
Materjal: C45, roostevaba teras, karastatud teras jne.
Pinnatöötlus: karastatud hambad, must oksüüd, tsingitud, elektroforees jne.
Kirjeldus
Kooniline lukustuv pukshammasrataspakub tugevat mehaanilist survetihendit hammasratta rummu ja võlli vahel, tagades tugeva ja usaldusväärse ühenduse sujuva ja tõhusa võimsuse ülekande jaoks. See konstruktsioon vähendab energiakadu ja parandab süsteemi üldist tõhusust.
Peamised omadused
- Mehaaniline survetihendus:Ühendab hammasratta rummu ja võlli kindlalt, tagades suurepärase töökindluse ja vähendades libisemist.
- Tõhus jõuülekande:Sujuv töö vähendatud hõõrdumise ja müraga tänu täpsele hammaste kujundusele.
- Pikk kasutusiga:Vastupidavad materjalid ja disain pikendavad hammasrataste ja kettide eluiga, vähendades seisakuid ja hoolduskulusid.
- Materjalivalikud:
- C45 teras:Tasakaalustab tugevuse ja ökonoomsuse üldiste rakenduste jaoks.
- Roostevaba teras:Suurepärane korrosioonikindlus – ideaalne rasketes tingimustes.
- Karastatud teras:Kuumtöödeldud, et parandada kulumiskindlust ja vastupidavust.
- Vähendatud hooldusvajadus:Vajab vähem asendusi, mis vähendab üldisi käitamiskulusid.
Tehnilised andmed
- ISO-nr:16B-3 (1″ x 17,02 mm)
- Sammu pikkus:25,4 mm
- Sisemine laius:17,02 mm
- Rullide läbimõõt:15,88 mm
- Hamba laius:79,6 mm
- Ba:2,5 mm (raadiuse laius)
- Rx:26,0 mm (minimaalne hammasraadius)
Eelised
- Tugev ja usaldusväärne ühendus kõrge jõudlusega süsteemidele
- Vähendatud hõõrdumine ja müra sujuvama töö tagamiseks
- Pikem kasutusiga ja väiksemad hoolduskulud
- Mitmekülgsed materjalivalikud, mis sobivad erinevatesse keskkondadesse
Valige meie kooniline lukustuv pukshammasratas, mis tagab suurepärase vastupidavuse, tõhusa jõuülekande ja madalad hoolduskulud nõudlikes rakendustes.
Tehnilised parameetrid

kolmekordse koonilise lukustusega hammasrattad 16B-3 tehniline tabel







English
Français
Tiếng Việt
Italiano
Nederlands
Türkçe
Svenska
Polski
Română
Latviešu
한국어
Русский
Español
Deutsch
Українська
Português
العربية
Indonesian
Čeština
Suomi
Eesti
Български
Dansk
Lietuvių
Bokmål
Slovenčina
Slovenščina
Ελληνικά
Magyar
עברית 