teravate hammastega kett niisketes ja tolmuses keskkondades kasutamiseks

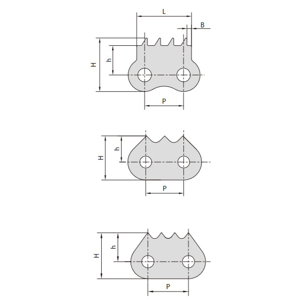
Teravate hammastega kett on ülekandekett, mille struktuurile on iseloomulik hammastega kettplaatide ja juhikplaatide vahelduv paigutus ning mis on ühendatud tihvtidega või liigendelementide kombinatsiooniga, moodustades naabruses asuvate hammaste vahel liigendliigendid.

Kirjeldus

Juhitüübi järgi klassifitseeritud hammasketid hõlmavad välise juhiga hammasketid, sisemise juhiga hammasketid ja kahekordse sisemise juhiga hammasketid. See kettülekande süsteem kasutab keti ja hammasratta hammaste täpset kokkupuudet võimsuse ja liikumise ülekandmiseks, tagades täpse keskmise ülekande suhte.

Eelised

  • Kõrge ülekandevõimsus ja tugev ülekoormusvõime
  • Kompaktne ülekande suurus samade töötingimuste juures
  • Vajab vähem pingutusjõudu
  • Töötab usaldusväärselt rasketes tingimustes, sealhulgas kõrgel temperatuuril, niiskuses, tolmus ja saastuses

Puudused

  • Kõrgem hind võrreldes teiste kettide tüüpidega
  • Kulumis- ja venivusele vastuvõtlik
  • Halb ülekande sujuvus, lisanduv dünaamiline koormus, vibratsioon, löögid ja müra töötamise ajal
  • Ei sobi kiireks pöördeülekandeks

Kokkuvõttes on kumerad ketid ideaalsed rakendustes, mis nõuavad suurt võimsust nõudlikes keskkondades, kuid ei pruugi sobida ülesanneteks, mis nõuavad sagedasi kiireid pöördeid või minimaalseid müra ja vibratsiooni.

Tehnilised parameetrid

terava tipuga kett-tehniline laud

teravate otstega kett tehniline laud